產品介紹
產品名稱:微阻緩閉止回閥
產品型號:HH44X
微阻緩閉止回閥產品應用及特點:用于給排水管道,安裝在水泵出口處用來防止介質逆流和消除破壞性水錘,并能有效地減少閥門關閉水錘壓力,可保障管網安全運行.它具有閥瓣輕、開度大、節電效果顯著,流體阻力小,水錘消除機構設計新穎,密封性能穩定可靠、耐磨損、使用壽命長、運行平穩、無振動、無噪聲等特點。



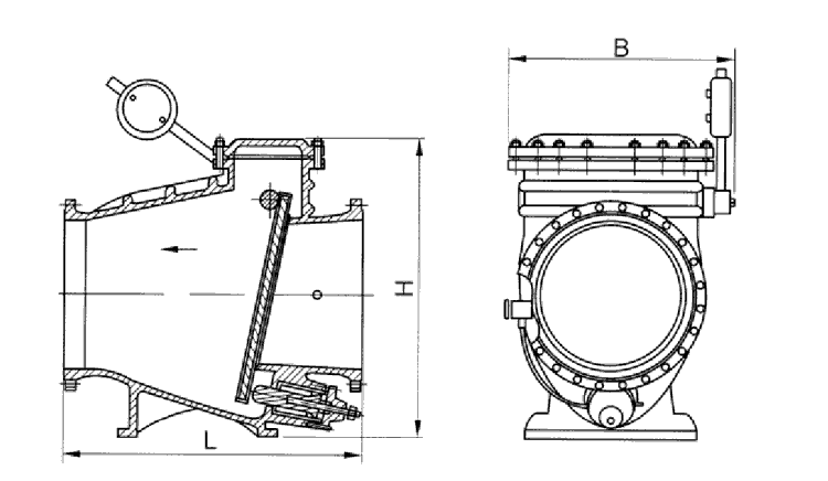
產品名稱:微阻緩閉止回閥
產品型號:HH44X
微阻緩閉止回閥產品應用及特點:用于給排水管道,安裝在水泵出口處用來防止介質逆流和消除破壞性水錘,并能有效地減少閥門關閉水錘壓力,可保障管網安全運行.它具有閥瓣輕、開度大、節電效果顯著,流體阻力小,水錘消除機構設計新穎,密封性能穩定可靠、耐磨損、使用壽命長、運行平穩、無振動、無噪聲等特點。


