產品介紹
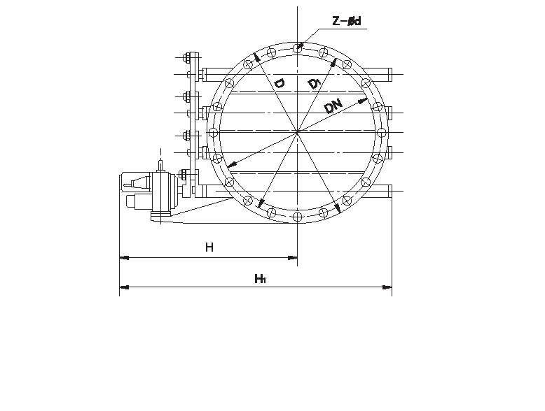
產品型號:D9Z41bw-0.05JC
工作溫度:-30℃-350℃
適用介質:粉塵、含塵氣體、冷、熱風。
泄漏量:≤3%
電源電壓要求: 220V; 50HZ
圓形百葉調節蝶閥的
【產品用途】:
圓體百葉蝶閥與電動執行機構配套廠泛應用于建材、冶金、礦山、電力等生產過程自動控制或手動控制調節管路中的介質流量之用。
電動圓形百葉式調節蝶閥的
【產品特點】: 蝶板采用百葉多軸體結構,流體均勻,電傳動,啟閉力矩省力均勻,動作靈敏性能可靠。



產品型號:D9Z41bw-0.05JC
工作溫度:-30℃-350℃
適用介質:粉塵、含塵氣體、冷、熱風。
泄漏量:≤3%
電源電壓要求: 220V; 50HZ
圓形百葉調節蝶閥的
【產品用途】:
圓體百葉蝶閥與電動執行機構配套廠泛應用于建材、冶金、礦山、電力等生產過程自動控制或手動控制調節管路中的介質流量之用。
電動圓形百葉式調節蝶閥的
【產品特點】: 蝶板采用百葉多軸體結構,流體均勻,電傳動,啟閉力矩省力均勻,動作靈敏性能可靠。


